S80BLDC58 S90BLDC72 S104BLDC80
HOLRY
| Напряжение: | |
|---|---|
| Власть: | |
| штат: | |
| Количество: | |
Описание продукта
Адаптироваться к суровой среде, экономически эффективной, высокой эффективности, экономии энергии и защиты окружающей среды, эффективностью выше 80%; Высокопроизводительный ротор постоянного магнита редкоземелью, высокий крутящий момент, низкая инерция и хороший динамический отклик; Трехфазная синусоидальная конструкция, с отличными низкоскоростными характеристиками сглаживания; Низкий шум, без технического обслуживания и длительный срок службы;
Низкие помехи:
Бесщеточный двигатель удаляет кисть. Наиболее прямое изменение заключается в том, что при запуске двигателя щетки не генерируется искра, что значительно уменьшает помехи искры в радиооборудование с дистанционным управлением.
Низкий шум и стабильная работа:
Бесщеточный двигатель не имеет кисти, трение значительно уменьшается во время работы, работа стабильна, а шум намного ниже. Это преимущество является огромной поддержкой стабильности модели.
Ношение бесщеточных и бесщеточных двигателей в основном на подшипниках. С механической точки зрения, бесщеточный двигатель-это почти без обслуживания двигателя. При необходимости просто сделайте немного удаления пыли.
Продукты личного использования-несколько продуктов для личного использования также полагаются на высококачественный 24-вольтовый двигатель DC. Примеры их включают домашнюю копию/машину для принтера, фен, пешеходную бабу и массажер для палочек.
Мы можем предоставить и поддерживать необходимые вам модели. У нас есть бесщеточные модели различных моделей и способностей. Добро пожаловать, чтобы проконсультироваться!
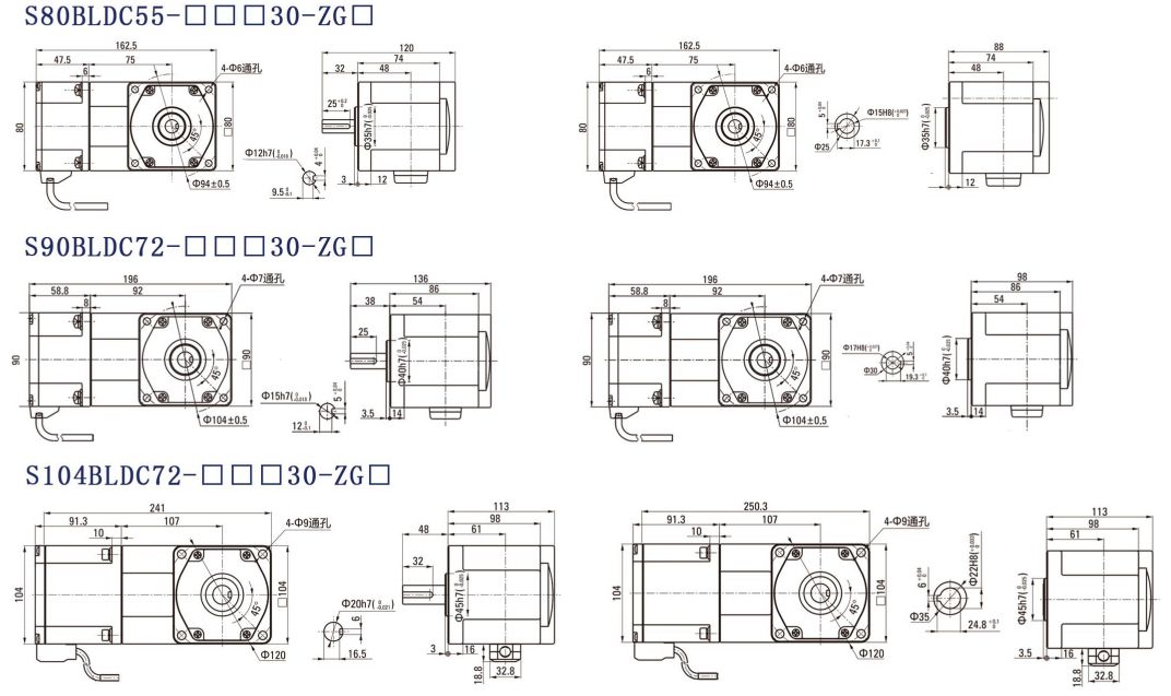
Методика параметр

| MODEL | Напряжение (VDC) | Рейтинг Власть (W) | Моторный крутящий момент (NM) | Моторная номинальная скорость (RPM) | Длина тела (L) мм | Модель коробки передач | Коробка передач Соотношение | ||
| S80BLDC58- □ 0630-ZG □ | 24/36/48 | 60 | 0.191 | 3000 | 58 | 4gn □ k | 3/3,6/5/6/7,5/9/12,5/15/18/20/25/30/36/50/60/75/90/100/120/150/180/200 | ||
| S80bldc58- □ 0930-Zg □ | 24/48/310 | 90 | 0.286 | 3000 | |||||
| S80BLDC58- □ 1230-ZG □ | 24/36/48/310 | 120 | 0.382 | 3000 | |||||
| S90BLDC72- □ 1230-ZG □ | 24/36/48/310 | 120 | 0.382 | 3000 | 72 | 5gu □ kb | |||
| S90BLDC72- □ 2030-ZG □ | 24/36/48/310 | 200 | 0.636 | 3000 | |||||
| S104BLDC80- □ 2030-ZG □ | 24/36/48/310 | 200 | 0.636 | 3000 | 80 | 6gu □ kb | |||
| S104BLDC80- □ 4030-ZG □ | 24/36/48/310 | 400 | 1.27 | 3000 | |||||
| S104BLDC80- □ 6030-ZG □ | 48/310 | 600 | 1.9 | 3000 | |||||
Часто задаваемые вопросы
Среди них бесщеточные двигатели постоянного тока (BLDC) имеют высокую эффективность и превосходную управляемость и широко используются во многих приложениях. Двигатель BLDC имеет преимущества энергосбережения по сравнению с другими типами двигателей.
Хотя бесщеточный мотор был изобретен в середине 19 -го века, только в 1962 году он стал коммерчески жизнеспособным. Что такое бесщеточный мотор? Бесщеточные двигатели - это синхронные электродвигатели, которые перемещаются в электронном виде.
Они содержат минимальные части, такие как коммутатор, роторные детали и скользящие кольца, которые способствуют увеличению его веса. Бесщеточные двигатели также доминируют в нескольких приложениях, таких как жесткие диски, насосы, вентиляторы, кофейные машины, фен, смесители и игроки CD/DVD в приложениях переменных и регулируемых скоростей.